安益谱独揽海关总署17台气相色谱质谱仪采购项目
导读: 海关总署2025年气相色谱-三重四极杆质谱仪(第一批)采购项目(重新招标)公布中标结果。总中标金额1250万元,由安益谱独家中标,产品为自主研发的AnyeepTQ8100型号。
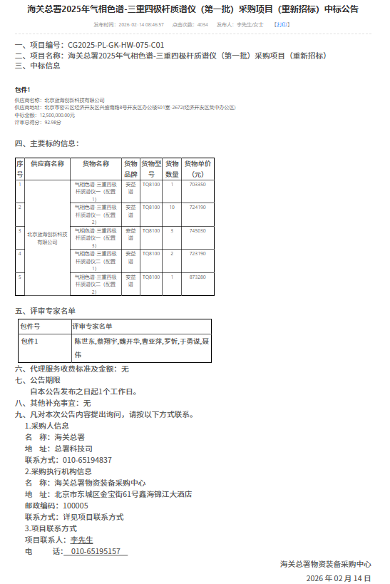
近期,海关总署2025年气相色谱-三重四极杆质谱仪(第一批)采购项目(重新招标)中标结果已公布。在此次竞标中,安益谱独揽,共计斩获17台气相色谱-三重四极杆质谱仪采购大单,中标金额合计1250万元。 具体中标详情如下:

导读: 海关总署2025年气相色谱-三重四极杆质谱仪(第一批)采购项目(重新招标)公布中标结果。总中标金额1250万元,由安益谱独家中标,产品为自主研发的AnyeepTQ8100型号。
近期,海关总署2025年气相色谱-三重四极杆质谱仪(第一批)采购项目(重新招标)中标结果已公布。在此次竞标中,安益谱独揽,共计斩获17台气相色谱-三重四极杆质谱仪采购大单,中标金额合计1250万元。 具体中标详情如下:
